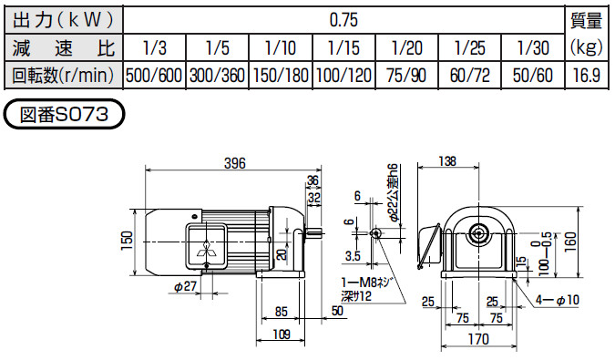
Mitsubishi Geared motor GM-SB 0.75KW
GM-SB 0.75KW 1/3 1/5 1/10 1/15 1/20 1/25 1/30 Weight 16.9kg

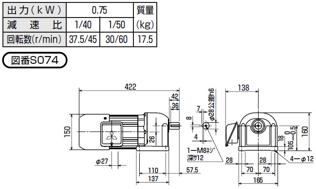
0.75kw 1/40 1/50 weight 17.5kg

0,75kw 1/60 1/80 1/100 weight 29.4kg

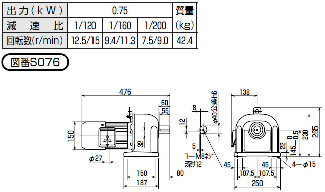
0.75kw 1/120 1/160 1/200 weight 42.4kg

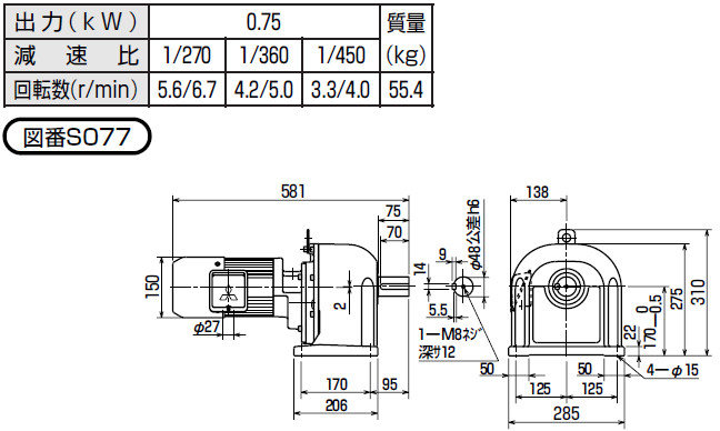
0.75kw 1/270 1/360 1/450 weight 55.4kg

