Mitsubishi Geared motor GM-S 0.75KW
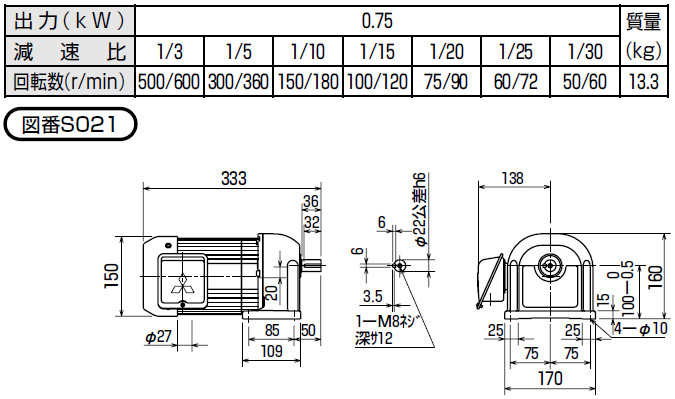
Mitsubish Gear motor GM-S 0.75kw 1/3 1/5 1/10 1/15 1/20 1/25 1/30 weight 13.3kg

0.75kw 1/40 1/50 weight 13.9kg

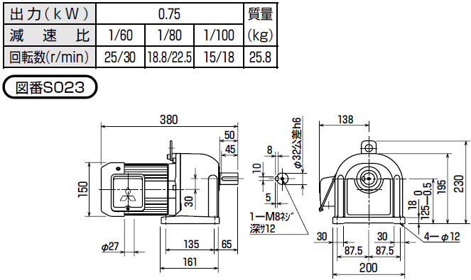
0.75kw 1/60 1/80 1/100 weight 25.8kg

0.75kw 1/120 1/160 1/200 weight 38.8kg

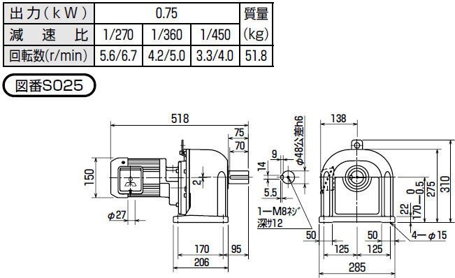
0.75kw 1/270 1/360 1/450 weight 51.8kg

