Mitsubishi Geared motor GM-S 2.2KW
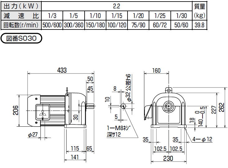
Mitsubishi Geared motor GM-S 2.2KW 1/3 1/5 1/10 1/15 1/20 1/25 1/30 weight 39.8kg

2.2kw 1/40 1/50 weight 48.8kg

2.2kw 1/60 1/80 1/100 61.8kg
Mitsubishi Geared motor GM-S 2.2KW 1/3 1/5 1/10 1/15 1/20 1/25 1/30 weight 39.8kg

2.2kw 1/40 1/50 weight 48.8kg

2.2kw 1/60 1/80 1/100 61.8kg