Mitsubishi Geared motor GM-SB 1.5KW
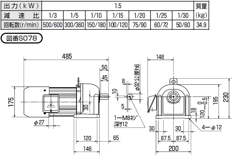
GM-SB 1.5kw 1/3 1/5 1/10 1/15 1/20 1/25 1/30 weight 34.9kg

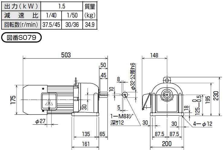
1.5kw 1/40 1/50 34.9kg

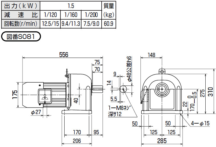
1.5kw 1/120 1/160 1/200 60.9kg

GM-SB 1.5kw 1/3 1/5 1/10 1/15 1/20 1/25 1/30 weight 34.9kg

1.5kw 1/40 1/50 34.9kg

1.5kw 1/120 1/160 1/200 60.9kg
