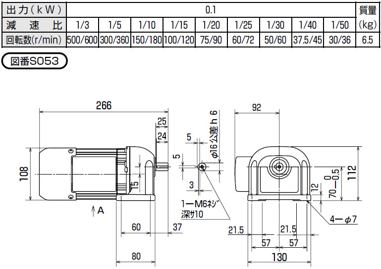
Mitsubishi Geared motor GM-SB 0.1KW
GM-SB 0.1kw 1/3 1/5 1/10 1/15 1/20 1/25 1/30 1/40 1/50 weight 6.5kg

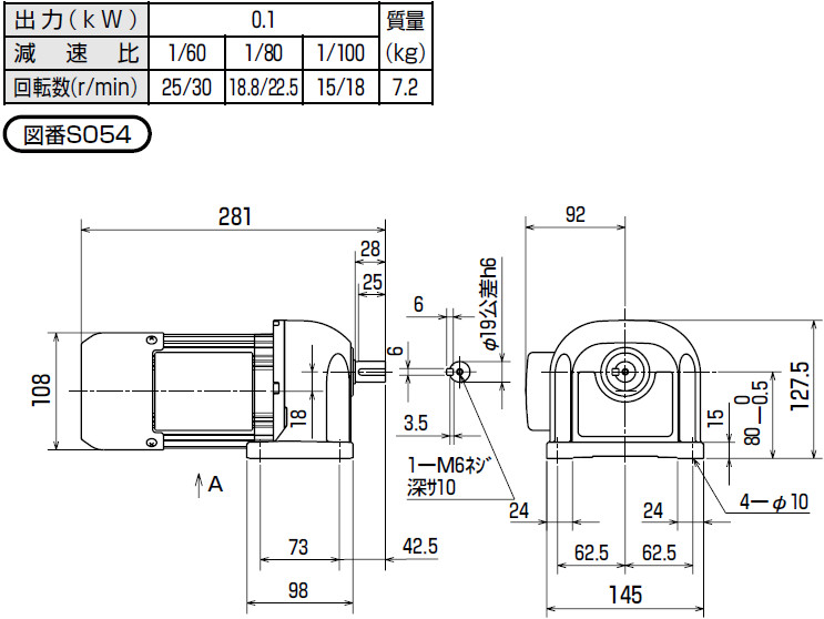
0.1kw 1/60 1/80 1/100 weight 7.2kg

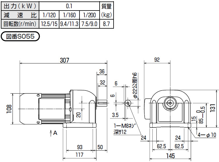
0.1kw 1/120 1/160 1/200 weight 8.7kg

0.1kw 1/270 1/360 1/450 weight 9.8kg

0.1kw 1/540 1/720 1/900 weight 21.7kg

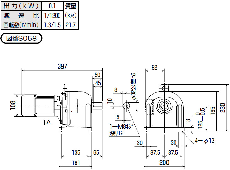
0.1kw ratio 1/1200 weight 21.7kg

