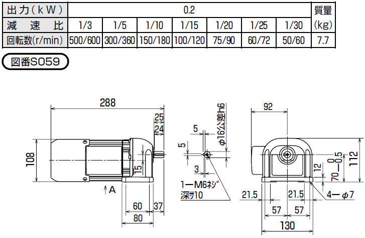
Mitsubishi Geared motor GM-SB 0.2KW
GM-SB 0.2kw 1/3 1/5 1/10 1/15 1/20 1/25 1/30 weight 7.7kg

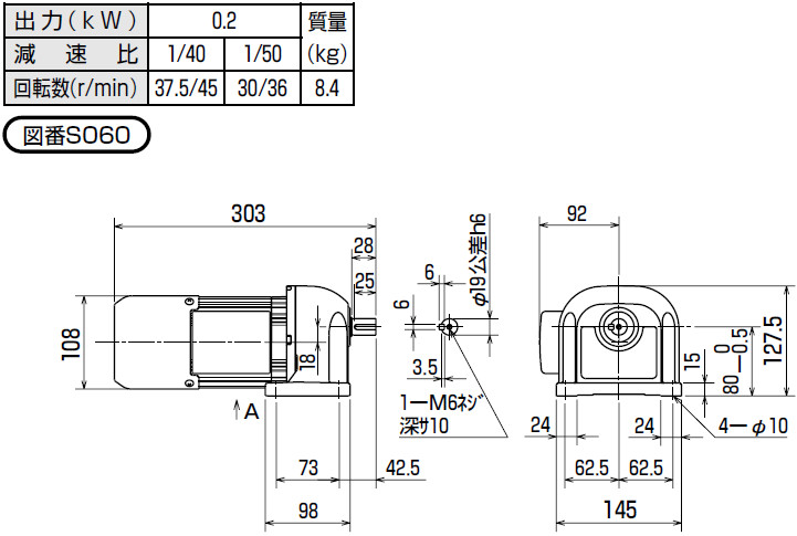
0.2kw 1/40 1/50 weight 8.4kg

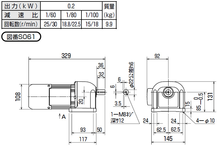
0.2kw 1/60 1/80 1/100 weight 9.9kg

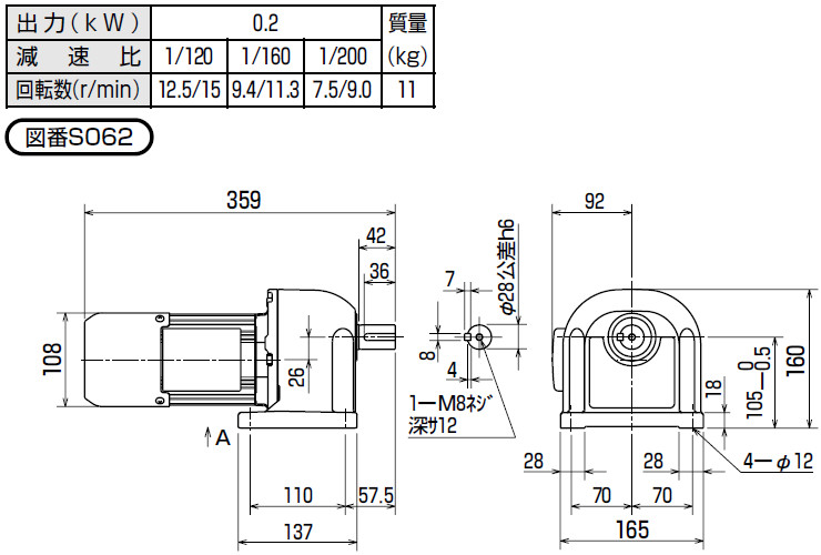
0.2kw 1/120 1/160 1/200 weight 11kg

0.2kw 1/270 1/360 1/450 weight 22.9kg

0.2kw 1/540 1/720 1/900 weight 36.9kg

0.2kw 1/1200 weight 36.9kg

