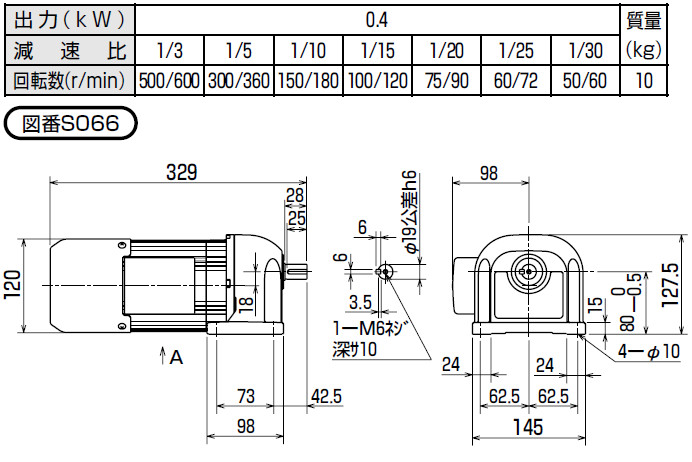
Mitsubishi Geared motor GM-SB 0.4KW
GM-SB 0.4kw 1/3 1/5 1/10 1/15 1/20 1/25 1/30 weight 10kg

0.4kw 1/40 1/50 weight 11.5kg

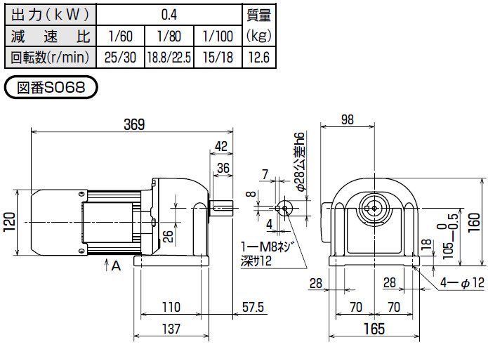
0.4kw 1/60 1/80 1/100 weight 12.6kg

0.4kw 1/120 1/160 1/200 weight 24.5kg

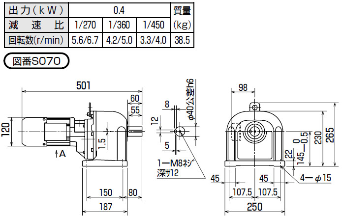
0.4kw 1/270 1/360 1/450 weight 38.5kg

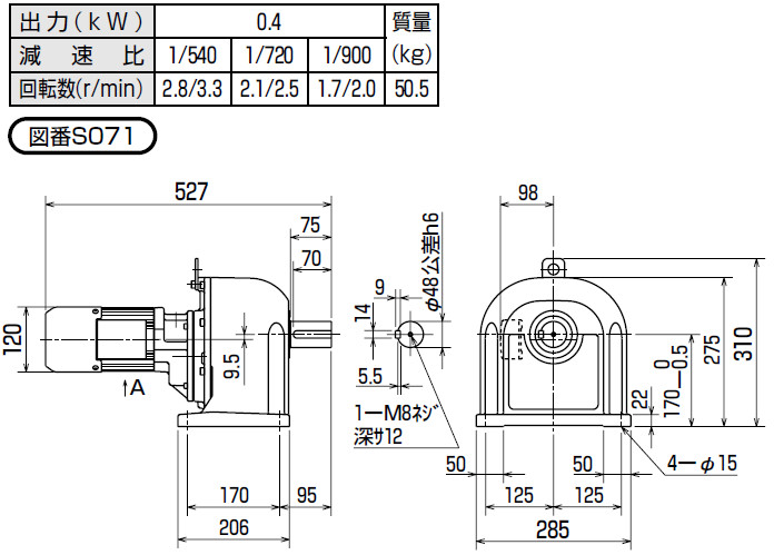
0.4kw 1/540 1/720 1/900 weight 50.5kg

0.4kw ratio 1/1200 weight 50.5kg

