Mitsubishi Geared motor GM-S 0.4KW
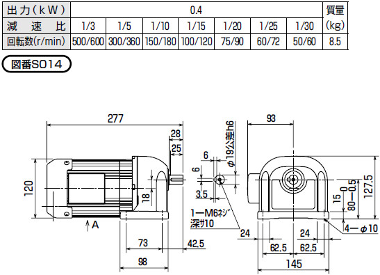
Mitsubishi gear motor GM-S 0.4kw 1/3 1/5 1/10 1/15 1/20 1/25 1/30 weight 8.5kg

0.4kw 1/40 1/50 weight 10kg

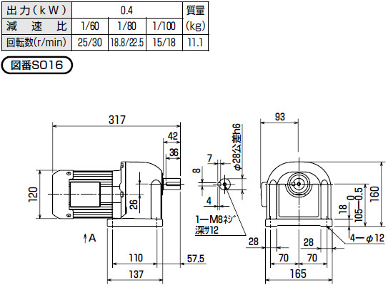
0.4kw 1/60 1/80 1/100 weight 11.1kg

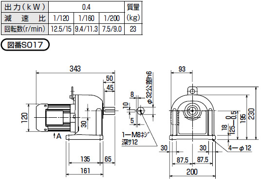
0.4kw 1/120 1/160 1/200 weight 23kg

0.4kw 1/270 1/360 1/450 weight 37kg

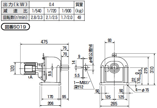
0.4kw 1/540 1/720 1/900 weight 49kg

0.4kw 1/1200 49kg

