Mitsubishi Geared motor GM-DB 3.7KW
GM-DB 3.7KW 1/3 1/5 1/10 1/15 1/20 1/25 1/30 WEIGHT 88.6KG

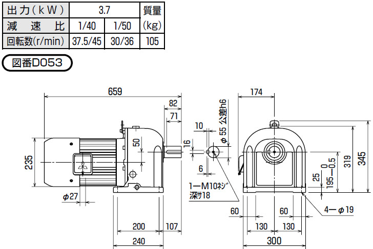
3.7KW 1/40 1/50 105KG

3.7KW 1/60 1/80 1/100 140KG

GM-DB 3.7KW 1/3 1/5 1/10 1/15 1/20 1/25 1/30 WEIGHT 88.6KG

3.7KW 1/40 1/50 105KG

3.7KW 1/60 1/80 1/100 140KG
