Home
Brand
Products
Contact
Product
GM-D 0.4KW
GM-D 0.75KW
GM-D 1.5KW
GM-D 2.2KW
GM-D 3.7KW
GM-D 5.5KW
GM-D 7.5KW
GM-DB 0.4KW
GM-DB 0.75KW
GM-DB 1.5KW
GM-DB 2.2KW
GM-DB 3.7KW
GM-DB 5.5KW
GM-DB 7.5KW
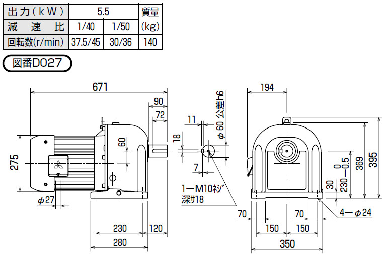
Mitsubishi Geared motor GM-D 5.5KW
Home
>
Manufacturer
>
Mitsubishi Geared
>
GM-D
GM-D 5.5KW 1/3 1/5 1/10 1/15 1/20 1/25 1/30 WEIGHT 106KG
TEL:022742010/022742011 FAX:0066(0)22742014 Email:sales@kayoshoji.com
ADD:177 Soi Ratchada Niwet 1/5 Samsen Nok Huai Khwang Bangkok Thailand