Mitsubishi Geared motor GM-D 3.7KW
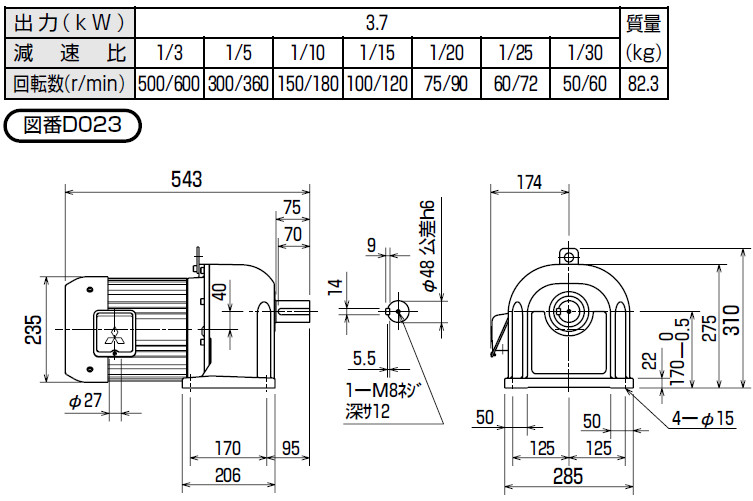
GM-D 3.7KW 1/3 1/5 1/10 1/15 1/20 1/25 1/30

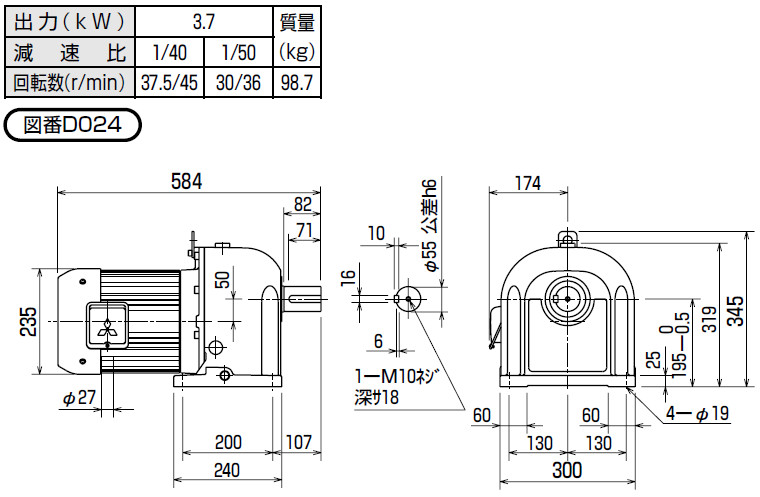
3.7kw 1/40 1/50 weight 98.7kg

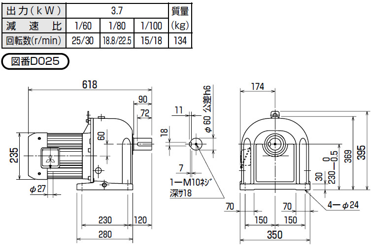
3.7kw 1/60 1/80 1/100 weight 134kg

GM-D 3.7KW 1/3 1/5 1/10 1/15 1/20 1/25 1/30

3.7kw 1/40 1/50 weight 98.7kg

3.7kw 1/60 1/80 1/100 weight 134kg
