• Home
  • Brand
  • Products
  • Contact

Product

  • Cam Clutch
  • Power lock
  • Gear motor
  • Worm reducer
  • Coupling
  • Torque Limiter
  • Power cylinder
  • Linipower Jack

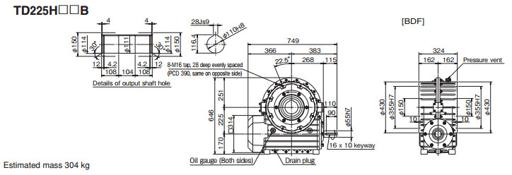
Tsubaki worm gear TD225H-B

Home > Power Transmission > Tsubaki > Worm reducer >

Tsubaki worm gear TD225H-B

TEL:022742010/022742011 FAX:0066(0)22742014 Email:sales@kayoshoji.com
ADD:177 Soi Ratchada Niwet 1/5 Samsen Nok Huai Khwang Bangkok Thailand