Home
Brand
Products
Contact
Product
Cam Clutch
Power lock
Gear motor
Worm reducer
Coupling
Torque Limiter
Power cylinder
Linipower Jack
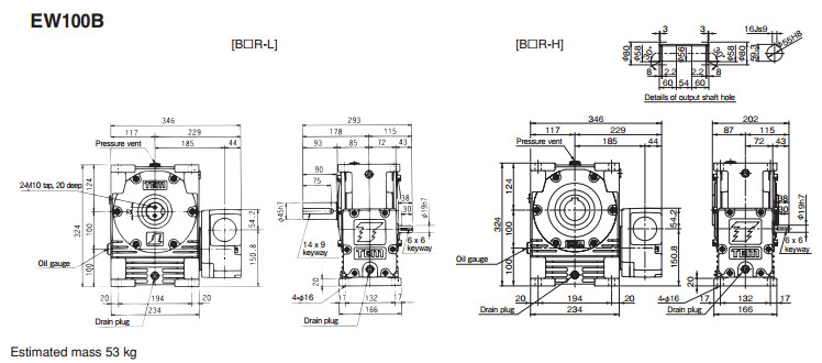
Tsubaki worm gear EW100B-BR-L
Home
>
Power Transmission
>
Tsubaki
>
Worm reducer
>
Tsubaki worm gear EW100B-BR-L
TEL:022742010/022742011 FAX:0066(0)22742014 Email:sales@kayoshoji.com
ADD:177 Soi Ratchada Niwet 1/5 Samsen Nok Huai Khwang Bangkok Thailand