Tsubaki Gear motor HRTA
Home > Power Transmission > Tsubaki > Gear motor >Tsubaki Gear motor HRTA

HRTA010-30H5-200F1
HRTA020-30H5-20F1
HRTA040-30H5-50F1
HRTA040-35H60-200F1
HRTA010-30H5-200
HRTA020-30H5-200
HRTA040-30H5-50
HRTA040-35H60-200
HRTA075-35H5-50F1
HRTA075-45H60-200F1
HRTA150-45H5-50F1
HRTA075-35H5-50
HRTA075-45H60-200
HRTA150-45H5-50
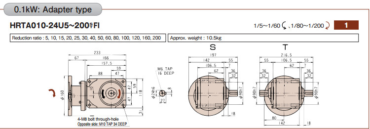
HRTA010-24U5-200F1
HRTA020-28U5-200F1
HRTA040-28U5-50F1
HRTA040-38U60-200F1
HRTA010-24U5-200
HRTA020-28U5-200
HRTA040-28U5-50
HRTA040-38U60-200
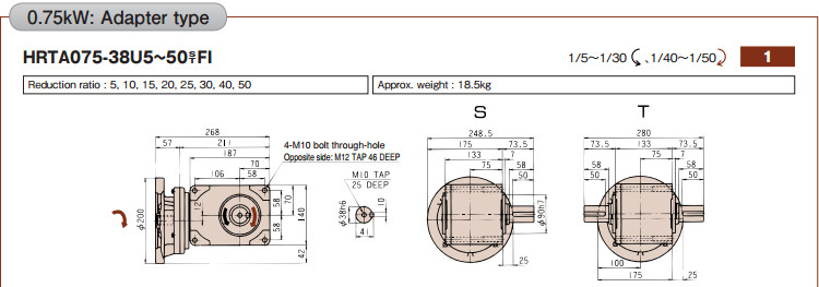
HRTA075-38U5-50F1
HRTA075-42U60-200F1
HRTA150-42U5-50F1
HRTA075-38U5-50
HRTA075-42U60-200
HRTA150-42U5-50S/T
HRTA010-19L5-50F1
HRTA010-24L60-200FI
HRTA020-19L5-50FI
HRTA020-28L60-200FI
HRTA010-19L5-50
HRTA010-24L60-200
HRTA020-19L5-50
HRTA020-28L60-200T/R
HRTA040-24L5-50F1
HRTA040-38L60-200F1
HRTA075-30L5-50F1
HRTA075-42L60-200F1
HRTA150-42L5-50F1
HRTA040-24L5-50
HRTA040-38L60-200
HRTA075-30L5-50
HRTA075-42L60-200
HRTA150-42L5-50










































