Kyowa Universal joints F
Home > Power Transmission > Kyowa joint >Kyowa Universal joints F
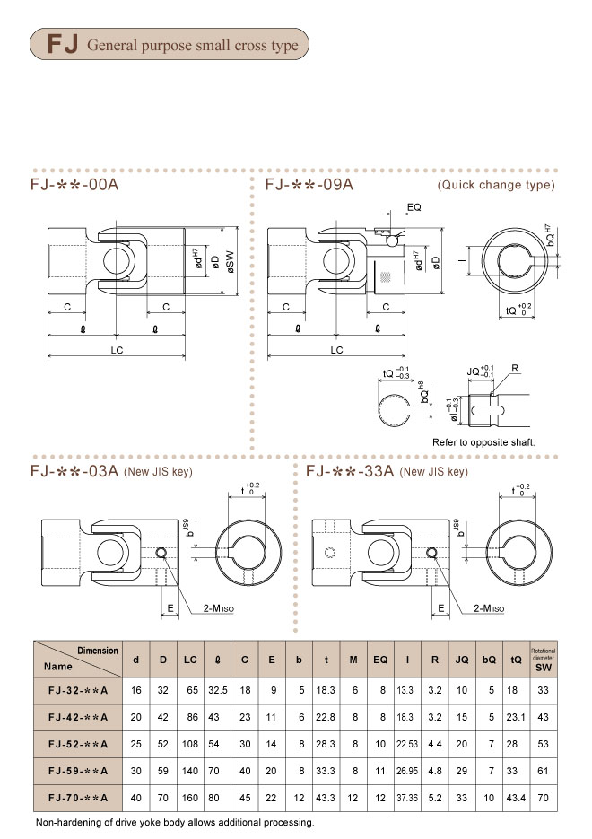
FJ-32 FJ-42 FJ-52 FJ-59 FJ-70C
FP-42A FP-52A FP-59A FP-70A




Kyowa Universal joints F
FJ-32 FJ-42 FJ-52 FJ-59 FJ-70C
FP-42A FP-52A FP-59A FP-70A



