Mitsubishi Geared Motor GM-S 0.1KW
Home > Manufacturer > Mitsubishi Geared > GM-S > GM-S Type >Mitsubishi Geared Motor GM-S 0.1KW
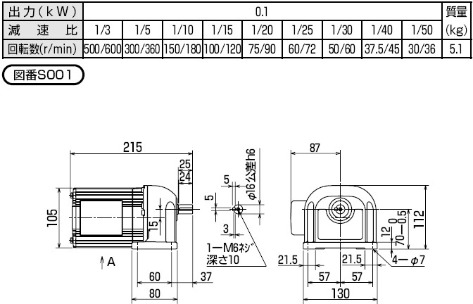
Ratio reducer 1:3, 1:5, 1:10, 1:15, 1:20, 1:25, 1:30, 1:40, 1:50

Ratio Reducer: 1:60, 1:80, 1:100

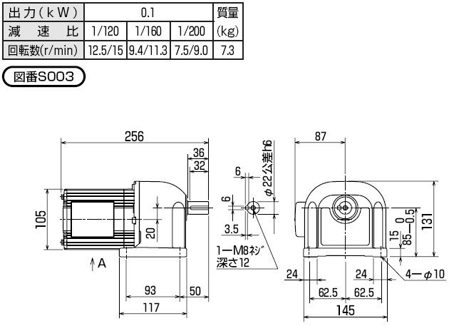
Ratio reducer 1:120, 1:160, 1:200

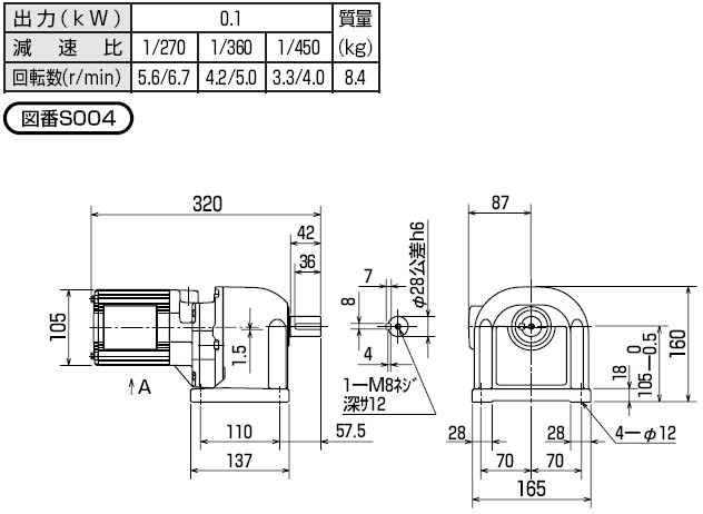
Ratio Reducer: 1:270, 1:360, 1:450

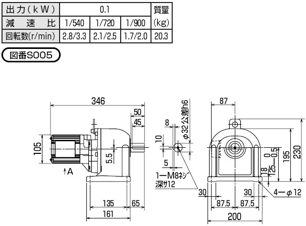
Ratio 1/540 1/720 1/900

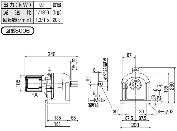
Ratio 1:1200

